OEM RF glasisolator Supplier

Ningbo Hanson Communication Technology Co., Ltd. Hjem / Produkter / Hermetisk forseglet serie / RF glasisolator

RF glasisolator

Beskrivelse:

Glasisolatorer bruger en glassintringsstruktur med god tætningsevne. De kan bruges med millimeterbølgekonnektorer som SMA og 2.92, og kan også bruges direkte mellem printkort, skabeloner og skabeloner og komponenter. Den bruger glas (dielektrisk konstant er omkring 4,0) som det isolerende medium, og de indre og ydre ledere er lavet af Kovar-legeringsmateriale. Efter højtemperatursintring er overfladen forniklet med guld. Glasisolatorer har fordelene ved lille størrelse, let vægt, lufttæthed og høj pålidelighed. De bruges mest i lejligheder med krav til tætning eller krav til produktvolumen og vægt. De er velegnede til intensiv installation. Den indre leder kan forbindes på en række forskellige måder, såsom plug-in, overflademontering, svejsning og guldtrådsbinding.

Spørge

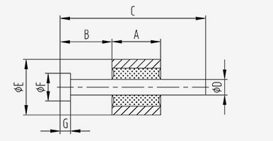
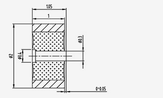
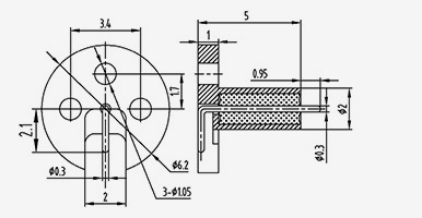
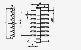
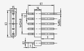
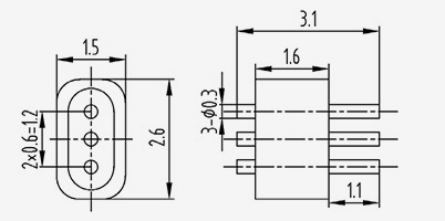
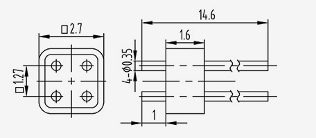
Grundlæggende struktur:
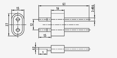
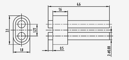
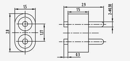
Glasisolator består normalt af tre dele: ydre leder, glasmedium og indre leder, og dens grundlæggende struktur er vist i følgende figur.

Tekniske specifikationer og pålidelighedstest:

Elektriske egenskaber
Karakteristisk impedans 50Ω eller andet Frekvensområde DC~65GHz
Dielektrisk modstandsdygtig spænding ≥500V Isoleringsmodstand ≥5000M Ω
Kontaktmodstand Indre leder≤3m Ω Spænding VSWR (50Ω) ≤ 1,05 0,008f ( f: GHz)
Yderleder ≤2m Ω RF-indføringstab (50Ω) ≤0,05 √ f (f: GHz)
Materiale og mekaniske, miljømæssige egenskaber
Yderleder Delegerbare legeringer Luftlækagerate 1,01*10 -9 Pa.m 3 /S
Indre dirigent Nedbrydelige legeringer Driftstemperatur -65 ~ 165
Isoleringsmedium Glas

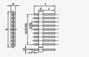
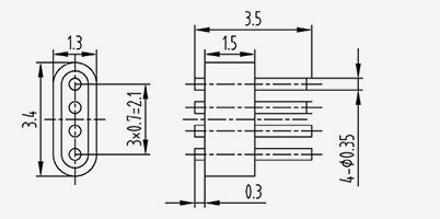
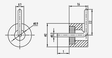
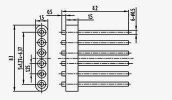
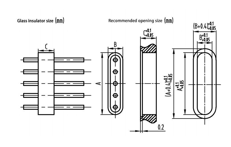
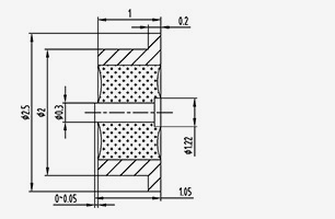
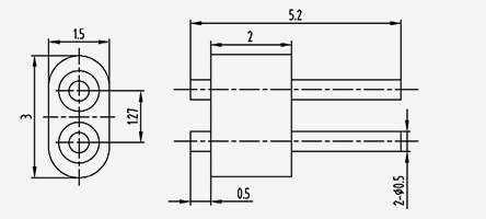
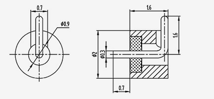
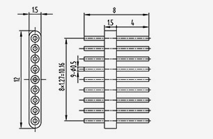
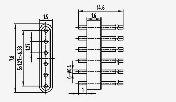
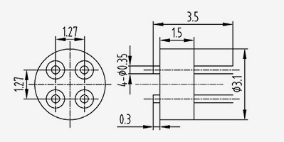
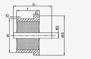
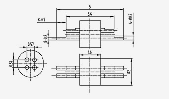
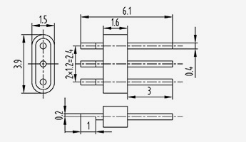
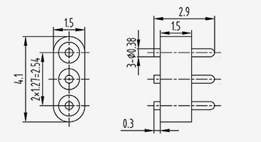
Anbefalede monteringsmål for glasisolatorer
De anbefalede installationsåbningsdimensioner for glasisolatorer med enkelt kerne er vist nedenfor:

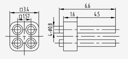
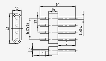
De anbefalede monteringsåbningsdimensioner for flerkernede glasisolatorer er vist nedenfor:

Test af elektrisk ydelse af glasisolator:
50 ohm karakteristiske impedans glasisolatorer med standard SMA, 2,92, 2,4 osv. millimeter bølgekonnektorer parret i begge ender til elektrisk ydelsestest.

RF SERIES
  • 50Ω karakteristisk impedans-enkeltkerne rundt hoved
    50Ω karakteristisk impedans-enkeltkerne rundt hoved
    Model Størrelse (mm)
    EN B C D E
    HS1710-0,23(2,8-0,3) 1.73 1 0.23 2.8 0.3
    HS1710-0,23(6,2-2,7) 1.73 1 0.23 6.2 2.7
    HS1710A 1.73 1 0.23 3 1
    HS1714-0,23(2-0,3) 1.73 1.4 0.23 2 0.3
    V1714-0,23(2,69-0,5) 1.73 1.4 0.23 2.7 0.5
    V1714-0,23(3,9-1,7) 1.73 1.4 0.23 3.9 1.7
    V1714-0,23(4,5-1,7) 1.73 1.4 0.23 4.5 1.7
    HS1714-0,23(3-1,1) 1.73 1.4 0.23 3 1.1
    HSI714E 1.73 1.4 0.23 2.9 1
    HS1714F 1.73 1.4 0.23 2.79 0.9
    HS1715-0,23(3,2-0,8) 1.73 1.5 0.23 3.2 0.8
    HS1716A 1.73 1.65 0.23 3.4 1
    V1719-0,23(5,0-1,7) 1.73 1.9 0.23 5 1.7
    V1720-0,23(3,3-0,5) 1.73 2 0.23 3.3 0.5
    HS1720-0,23(3,7-1,2) 1.73 2 0.23 3.7 1.2
    V1720-0,23(4,0-1,0) 1.73 2 0.23 4 1
    HS1720-0,23(6-2) 1.73 2 0.23 6 2
    V1724-0,23(3,7-0,5) 1.73 2.4 0.23 3.7 0.5
    HS1724-0,23(4,5-1,7) 1.73 2.4 0.23 4.5 1.7
  • 50Ω karakteristisk impedans-enkeltkerne rundt hoved
    50Ω karakteristisk impedans-enkeltkerne rundt hoved
    Model Størrelse (mm)
    EN B C D E
    V1727-0,23(4,0-0,5) 1.73 2.7 0.23 4 0.5
    HS1727A 1.73 2.7 0.23 4.7 1
    HS1728-0,23(4-0,5) 1.73 2.8 0.23 4 0.5
    HS1730-0,23(4,3-0,5) 1.73 3 0.23 4.3 0.5
    V1730-0,23(5,0-1,0) 1.73 3 0.23 5 1
    HS1734-0.23-01 1.73 3.4 0.23 5.2 1
    HS1744-0.23-01 1.73 4.4 0.23 6.2 1
    HS1749-0,23(8,9-2,0) 1.73 4.9 0.23 8.9 2
    HS1751A 1.73 5.1 0.23 5.9 0.4
    HS1756-0,23(6,6-0,5) 1.73 5.6 0.23 6.6 0.5
    HS1914-0,3(2,55-0,35) 1.9 1.4 0.3 2.55 0.35
    HS1914-0.3(3.2-1.1) 1.9 1.4 0.3 3.2 1.1
    HS1914C 1.9 1.4 0.3 3.6 0.7
    HS1914-0.3(4.4-2) 1.9 1.4 0.3 4.4 2
    HS1914-0.3(3.2-1.1) 1.9 1.4 0.3 3.2 1.1
    HS1914-0,3(3,8-1,2) 1.9 1.4 0.3 3.8 1.2
    HS1914-0.3(4.4-2) 1.9 1.4 0.3 4.4 2
    HS1916-0,3(4,7-0,8) 1.9 1.6 0.3 4.7 0.8
    HS1916B 1.9 1.6 0.3 4.9 0.8
  • 50Ω karakteristisk impedans-enkeltkerne rundt hoved
    50Ω karakteristisk impedans-enkeltkerne rundt hoved
    Model Størrelse (mm)
    EN B C D E
    HS1917-0,3(3,45-1) 1.9 1.75 0.3 3.45 1
    HS1918-0,3(5,8-2) 1.9 1.8 0.3 5.8 2
    HS1918-0,3(7,8-4,2) 1.9 1.8 0.3 7.8 4.2
    HS1918-0,3(3,5-1) 1.95 1.8 0.3 3.5 1
    HS1934-0,3(4,6-0,4) 1.9 3.4 0.3 4.6 0.4
    HS2006-0.3(3.2-2) 2 0.6 0.3 3.2 2
    HS2008-0,3(1,32-0,26) 2 0.8 0.3 1.32 0.26
    HS2008F 2 0.8 0.3 1.7 0.45
    HS2008-0.3(1.8-0.3) 2 0.8 0.3 1.8 0.3
    HS2008-0.3(2.8-1.0) 2 0.8 0.3 2.8 1
    HS2008-0,3(3,0-1,5) 2 0.8 0.3 3 1.5
    HS2008-0,3(3,4-0,8) 2 0.8 0.3 3.4 0.8
    HS2008-0.3(3.6-1.2) 2 0.8 0.3 3.6 1.2
    HS2008-0.3(5.4-2.6) 2 0.8 0.3 5.4 2.6
    HS2008-0.3(6-2.6) 2 0.8 0.3 6 2.6
    HS2010-0.3(2.1-0.7) 2 1 0.3 2.1 0.7
    HS2010-0.3(2.5-1) 2 1 0.3 2.5 1
    HS2010-0.3(3.2-1.2) 2 1 0.3 3.2 1.2
    HS2011-0.3(2.1-0.5) 2 1.1 0.3 2.1 0.5
  • 50Ω karakteristisk impedans-enkeltkerne rundt hoved
    50Ω karakteristisk impedans-enkeltkerne rundt hoved
    Model Størrelse (mm)
    EN B C D E
    HS2012A 2 1.2 0.3 3.5 1.2
    HS2012-0.3(6-1.8) 2 1.2 0.3 6 1.8
    HS2012-0,3(6,7-1,5) 2 1.2 0.3 6.7 1.5
    HS2013-0,3(2,3-0,5) 2 1.3 0.3 2.3 0.5
    HS2014-0,3(1,92-0,26) 2 1.4 0.3 1.92 0.26
    HS2014-0,3(2,12-0,36) 2 1.4 0.3 2.12 0.36
    HS2014-0,3(2,4-0,5) 2 1.4 0.3 2.4 0.5
    HS2014D 2 1.4 0.3 3.1 0.45
    HS2014-0.3(4.4-1.5) 2 1.4 0.3 4.4 1.5
    HS2014-0.3(4.4-1) 2 1.4 0.3 4.4 1
    HS2014-0,3(4,55-1,5) 2 1.4 0.3 4.55 1.5
    HS2014-0,3(4,65-1,5) 2 1.4 0.3 4.65 1.5
    HS2014-0,3(5,5-1,9) 2 1.4 0.3 5.5 1.9
    HS2014-0,3(5,7-1,8) 2 1.4 0.3 5.7 1.8
    HS2014-0.3(8.0-4.6) 2 1.4 0.3 8 4.6
    HS2014-0.3(8-1.9) 2 1.4 0.3 8 1.9
    HS2015-0,3(3,25-0,75) 2 1.5 0.3 3.25 0.75
    HS2016-0,3(2,7-0,7) 2 1.6 0.3 2.7 0.7
    HS2016-0.3(2.8-0.5) 2 1.6 0.3 2.8 0.5
  • 50Ω karakteristisk impedans-enkeltkerne rundt hoved
    50Ω karakteristisk impedans-enkeltkerne rundt hoved
    Model Størrelse (mm)
    EN B C D E
    HS2016-0.3(3.5-1.2) 2 1.6 0.3 3.5 1.2
    HS2016-0.3(3.6-1) 2 1.6 0.3 3.6 1
    HS2016-0,3(3,9-0,4) 2 1.6 0.3 3.9 0.4
    HS2016E 2 1.6 0.3 3.9 0.6
    HS2016-0.3(4.1-1) 2 1.6 0.3 4.1 1
    HS2016-0,3(4,2-0,8) 2 1.6 0.3 4.2 0.8
    HS2016-0.3(4.6-1.2) 2 1.6 0.3 4.6 1.2
    HS2016-0.3(4.6-1.8) 2 1.6 0.3 4.6 1.8
    Ka2016-0,3(5-2,9) 2 1.6 0.3 5 2.9
    HS2016-0.3(5.2-1.8) 2 1.6 0.3 5.2 1.8
    HS2016-0.3(8.0-4.6) 2 1.6 0.3 8 4.6
    HS2016-0.3(8-1.8) 2 1.6 0.3 8 1.8
    HS2016-0.3(12-2.4) 2 1.6 0.3 12 2.4
    HS2016-0.3(20.4-4.6) 2 1.6 0.3 20.4 4.6
    HS2017-0,3(3,3-0,8) 2 1.7 0.3 3.3 0.8
    HS2017-0.3(8.5-2.0) 2 1.7 0.3 8.5 2
    HS2018-0.3(3.5-1) 2 1.8 0.3 3.5 1
    HS2019-0.3-01 2 1.9 0.3
    HS2020-0.3(3.4-0.4) 2 2 0.3 3.4 0.4
  • 50Ω karakteristisk impedans-enkeltkerne rundt hoved
    50Ω karakteristisk impedans-enkeltkerne rundt hoved
    Model Størrelse (mm)
    EN B C D E
    HS2020-0,3(3,8-0,8) 2 2 0.3 3.8 0.8
    HS2020-0,3(5,6-2,8) 2 2 0.3 5.6 2.8
    HS2020-0,3(5,7-2,9) 2 2 0.3 5.7 2.9
    HS2020-0.3(6-2) 2 2 0.3 6 2
    HS2020-0.3(12-5) 2 2 0.3 12 5
    HS2022F 2 2.2 0.3 3.1 0.45
    HS2022-0,3(3,2-0,7) 2 2.2 0.3 3.2 0.7
    HS2023-0,3(3,35-0,7) 2 2.3 0.3 3.35 0.7
    HS2023-0,3(3,7-0,7) 2 2.3 0.3 3.7 0.7
    HS2025-0,3(4,8-0,9) 2 2.5 0.3 4.8 0.9
    HS2025-0.3(6-1.5) 2 2.5 0.3 6 1.5
    HS2025-0,38(7,4-1,4) 2 2.5 0.38 7.4 1.4
    HS2026.5-0.3-01 2 2.6 5 0.3 0.1
    HS2028-0,3(4,9-0,5) 2 2.8 0.3 4.9 0.5
    HS2029-0,3(4,1-0,8) 2 2.9 0.3 4.1 0.8
    HS2029-0,3(4,9-0,5) 2 2.9 0.3 4.9 0.5
    HS2030-0,3(5,2-1,5) 2 3 0.3 5.2 1.5
    HS2030-0,3(5,8-1) 2 3 0.3 5.8 1
    HS2030-0.3(8-2) 2 3 0.3 8 2
  • 50Ω karakteristisk impedans-enkeltkerne rundt hoved
    50Ω karakteristisk impedans-enkeltkerne rundt hoved
    Model Størrelse (mm)
    EN B C D E
    HS2030-0,3(9-1,5) 2 3 0.3 9 1.5
    HS2034-0,3(4,4-0,7) 2 3.4 0.3 4.4 0.7
    HS2035-0,3(6,6-1,8) 2 3.5 0.3 6.6 1.8
    HS2035-0,3(6,65-1,3) 2 3.5 0.3 6.65 1.3
    HS2035-0,3(7,1-1,3) 2 3.5 0.3 7.1 1.3
    HS2035-0,3(9,5-3) 2 3.5 0.3 9.5 3
    HS2036-0,3(5,7-0,7) 2 3.6 0.3 5.7 0.7
    HS2040A 2 4 0.3 5.1 0.8
    HS2045-0,7(11,5-2) 2 4.5 0.7 11.5 2
    HS2050-0,3(6,4-0,7) 2 5 0.3 6.4 0.7
    HS2507-0,38(2,2-0,3) 2.5 0.7 0.38 2.2 0.3
    HS2508-0,38(1,8-0,3) 2.5 0.8 0.38 1.8 0.3
    HS2508-0,38(2-0,5) 2.5 0.8 0.38 2 0.5
    HS2510-0,38(3,6-1,3 ) 2.5 1 0.38 3.6 1.3
    HS2510-0,38(7-3) 2.5 1 0.38 7 3
    HS2511-0,38(2,4-0,5) 2.5 1.1 0.38 2.4 0.5
    HS2511-0,38(3,7-0,6) 2.5 1.1 0.38 3.7 0.6
    HS2512-0,38(3,1-0,8) 2.5 1.1 0.38 3.7 0.6
    HS4414-0.3(3.2-1.1) 4.4 1.4 0.3 3.2 1.1
  • 50Ω karakteristisk impedans-enkeltkerne rundt hoved
    50Ω karakteristisk impedans-enkeltkerne rundt hoved
    Model Størrelse (mm)
    EN B C D E
    HS2516-0,3(7,5-2,14) 2.5 1.6 0.3 7.5 2.14
    HS2516-0,3(8-1,8) 2.5 1.6 0.3 8 1.8
    HS2516-0,38(3,5-0,7) 2.5 1.6 0.38 3.5 0.7
    HS2516-0,38(4,1-1,25) 2.5 1.6 0.38 4.1 1.25
    HS2516-0,38(4,3-1,2) 2.5 1.6 0.38 4.3 1.2
    Ka2511-0,38(2,7-1,0) 2.5 1.1 0.38 2.7 1
    Ka2516-0,38(2,9-0,3) 2.5 1.6 0.38 2.9 0.3
    K2516-0,38(4-1,5) 2.5 1.6 0.38 4 1.5
    HS2516-0,38(4,5-1,2) 2.5 1.6 0.38 4.5 1.2
    HS2516-0,38(4,6-1) 2.5 1.6 0.38 4.6 1
    HS2516E 2.5 1.6 0.38 4.6 1.5
    HS2516G 2.5 1.6 0.38 4.6 1.5
    HS2516-0,38(4,8-1,2) 2.5 1.6 0.38 4.8 1.2
    HS2516-0,38(4,9-1,5) 2.5 1.6 0.38 4.9 1.5
    HS2516-0,38(5,1-1,6) 2.5 1.6 0.38 5.1 1.6
    HS2516-0,38(5,3-1,2) 2.5 1.6 0.38 5.3 1.2
    Ka2516-0,38(5,6-3,0) 2.5 1.6 0.38 5.6 3
    HS2516-0,38(6,1-1,3) 2.5 1.6 0.38 6.1 1.3
    HS2516-0,38(7,1-1,4) 2.5 1.6 0.38 7.1 1.4
  • 50Ω karakteristisk impedans-enkeltkerne rundt hoved
    50Ω karakteristisk impedans-enkeltkerne rundt hoved
    Model Størrelse (mm)
    EN B C D E
    HS2516-0,38(7,41-1,27) 2.5 1.6 0.38 7.41 1.27
    HS2516F 2.5 1.6 0.38 7.45 4.55
    HS2516-0.38-01 2.5 1.6 0.38 7.5 1.3
    HS2516-0,38(8-1,8) 2.5 1.6 0.38 8 1.8
    RF2516-0,38(8-4,6) 2.5 1.6 0.38 8 4.6
    HS2516-0,38(8-5) 2.5 1.6 0.38 8 5
    K2516-0,38(8-1,5) 2.5 1.6 0.38 8 1.5
    K2516-0,38(8-5,9) 2.5 1.6 0.38 8 5.9
    HS2516-0,38(11,6-5) 2.5 1.6 0.38 11.6 5
    HS2516-0,38(12-2,0) 2.5 1.6 0.38 12 2
    HS2520-0,38(6-2) 2.5 2 0.38 6 2
    HS2520-0,38(7,4-1,4) 2.5 2 0.38 7.4 1.4
    HS2520-0,38(7,8-1,4) 2.5 2 0.38 7.8 1.4
    HS2520-0,38(9,0-2,0) 2.5 2 0.38 9 2
    HS2520-0,38(12-5) 2.5 2 0.38 12 5
    HS2520-0,38(15-2) 2.5 2 0.38 15 2
    HS2524-0,38(5,7-1,1) 2.5 2.4 0.38 5.7 1.1
    HS2526-0,38(6,6-2) 2.5 2.6 0.38 6.6 2
    HS2530-0,38(3,6-0,3) 2.5 3 0.38 3.6 0.3
  • 50Ω karakteristisk impedans-enkeltkerne rundt hoved
    50Ω karakteristisk impedans-enkeltkerne rundt hoved
    Model Størrelse (mm)
    EN B C D E
    Ka2530-0,38(4,6-1,0) 2.5 3 0.38 4.6 1
    HS2530A 2.5 3 0.38 5 1
    HS2530-0,38(7,5-1,5) 2.5 3 0.38 7.5 1.5
    HS2530-0,38(8-0,4) 2.5 3 0.38 8 0.4
    HS2530-0,38(8-2) 2.5 3 0.38 8 2
    HS2530-0,38(9-3) 2.5 3 0.38 9 3
    HS2530-0,38(12-2,2) 2.5 3 0.38 12 2.2
    HS2530-0,38(13,9-8,2) 2.5 3 0.38 13.9 8.2
    HS2530-0,38(20-4) 2.5 3 0.38 20 4
    HS2533-0,38(6,5-1,2) 2.5 3.3 0.38 6.5 1.2
    HS2535-0,38(7,5-2) 2.5 3.5 0.38 7.5 2
    HS2537-0,38(7,7-2) 2.5 3.7 0.38 7.7 2
    HS2540-0,38(11-1,8) 2.5 4 0.38 11 1.8
    HS2545-0,38(8-1,3) 2.5 4.5 0.38 8 1.3
    HS2550-0,38(6,9-1,5) 2.5 5 0.38 6.9 1.5
    HS2550-0,38(11-2) 2.5 5 0.38 11 2
    HS2558-0,38(14,8-6) 2.5 5.8 0.38 14.8 6
    HS2575-0,38(12-1,3) 2.5 7.5 0.38 12 1.3
    HS2810-0,45(3,3-0,35) 2.8 1 0.45 3.3 0.35
  • 50Ω karakteristisk impedans-enkeltkerne rundt hoved
    50Ω karakteristisk impedans-enkeltkerne rundt hoved
    Model Størrelse (mm)
    EN B C D E
    HS2815-0,45(5,75-1,25) 2.8 1.5 0.45 5.75 1.25
    HS2816-0,45(4,6-1,5) 2.8 1.6 0.45 4.6 1.5
    HS2816-0,45(4,9-1,8)-R 2.8 1.6 0.45 4.9 1.8
    HS2816-0,45(5,1-1,5) 2.8 1.6 0.45 5.1 1.5
    HS2816-0,45(5,2-1,1) 2.8 1.6 0.45 5.2 1.1
    HS2816-0,45(5,4-2) 2.8 1.6 0.45 5.4 2
    HS2816-0,45(5,6-2) 2.8 1.6 0.45 5.6 2
    HS2816-0,45(6,2-1,8) 2.8 1.6 0.45 6.2 1.8
    HS2816-0,45(8,0-4,6) 2.8 1.6 0.45 8 4.6
    HS2816-0,45(8-1,8) 2.8 1.6 0.45 8 1.8
    HS2816-0,45(11,6-5) 2.8 1.6 0.45 11.6 5
    HS2816-0,45(12-3,0) 2.8 1.6 0.45 12 3
    HS2831-0,45(5,2-1,8) 2.8 3.1 0.45 5.2 1.8
    HS2843-0,45(8,3-2) 2.8 4.3 0.45 8.3 2
    HS3015-0,5(4,3-0,8) 3 1.5 0.5 4.3 0.8
    HS3016-0,5(3,4-0,9) 3 1.6 0.5 3.4 0.9
    HS3016-0,5(4,6-1) 3 1.6 0.5 4.6 1
    HS3016-0,5(4,6-1,5) 3 1.6 0.5 4.6 1.5
    HS3016B 3 1.6 0.38 4.9 1.8
  • 50Ω karakteristisk impedans-enkeltkerne rundt hoved
    50Ω karakteristisk impedans-enkeltkerne rundt hoved
    Model Størrelse (mm)
    EN B C D E
    HS3016-0,5(5,6-2) 3 1.6 0.5 5.6 2
    HS3016C 3 1.6 0.5 6.6 2
    HS3016-0,5(6,6-2,5) 3 1.6 0.5 6.6 2.5
    HS3016-0,5(7,5-2) 3 1.6 0.5 7.5 2
    HS3016-0,5(7,5-3,9) 3 1.6 0.5 7.5 3.9
    HS3016-0,5(7,8-2,0) 3 1.6 0.5 7.8 2
    HS3016-0,5(9,65-3,05) 3 1.6 0.5 9.65 3.05
    HS3016-0.5(12-5.0) 3 1.6 0.5 12 5
    HS3016-0,5(14,3-1,5) 3 1.6 0.5 14.3 1.5
    HS3020-0,5(5-1,8) 3 2 0.5 5 1.8
    HS3020-0,5(6,0-1,5) 3 2 0.5 6 1.5
    HS3020-0,5(6,5-2,2) 3 2 0.5 6.5 2.2
    HS3020-0,5(6,5-2,3) 3 2 0.5 6.5 2.3
    HS3020-0,5(6,8-1,8) 3 2 0.5 6.8 1.8
    HS3020-0,5(7,5-2,2) 3 2 0.5 7.5 2.2
    HS3020-0.5(8-2) 3 2 0.5 8 2
    HS3020-0,5(8,5-2,2) 3 2 0.5 8.5 2.2
    HS3020-0,5(8,5-4,3) 3 2 0.5 8.5 4.3
    HS3020-0.5(10-4) 3 2 0.5 10 4
  • 50Ω karakteristisk impedans-enkeltkerne rundt hoved
    50Ω karakteristisk impedans-enkeltkerne rundt hoved
    Model Størrelse (mm)
    EN B C D E
    HS3020-0,5(10-1,5) 3 2 0.5 10 1.5
    HS3020-0,5(12-4,0) 3 2 0.5 12 4
    HS3020-0,5(12-5,0) 3 2 0.5 12 5
    HS3020-0,5(12-6) 3 2 0.5 12 6
    HS3020-0,5(15-2) 3 2 0.5 15 2
    HS3025-0,5(5,4-1,2) 3 2.5 0.5 5.4 1.2
    HS3030A 3 3 0.38 10 1.5
    HS3030-0,5(6,5-2) 3 3 0.5 6.5 2
    HS3030-0,5(6,6-1,8) 3 3 0.5 6.6 1.8
    HS3030-0,5(7,5-2)-R 3 3 0.5 7.5 2
    HS3030-0,5(8,8-1,8) 3 3 0.5 8.8 1.8
    HS3030-0,5(10-2) 3 3 0.5 10 2
    HS3030-0,5(12-3) 3 3 0.5 12 3
    HS3030-0,5(12-2) 3 3 0.5 12 2
    HS3030-0,5(14-4,0) 3 3 0.5 14 4
    HS3035-0,5(6-1) 3 3.5 0.5 6 1
    HS3035-0,5(11,5-4) 3 3.5 0.5 11.5 4
    HS3040A 3 4 0.5 10.4 4
    HS3042-0,5(9,0-2,2) 3 4.2 0.5 9 2.2
  • 50Ω karakteristisk impedans-enkeltkerne rundt hoved
    50Ω karakteristisk impedans-enkeltkerne rundt hoved
    Model Størrelse (mm)
    EN B C D E
    HS3045-0,5(8,5-2) 3 4.5 0.5 8.5 2
    HS3047-0,5(9,4-2,2) 3 4.7 0.5 9.4 2.2
    HS3047-0,5(12-5,1) 3 4.7 0.5 12 5.1
    HS3050-0,5(9-2) 3 5 0.5 9 2
    HS3052A 3 5.2 0.5 10.3 4
    HS3057-0,5(12,5-3) 3 5.7 0.5 12.5 3
    HS3620-0,5(9-2,5) 3.6 2 0.5 9 2.5
    HS3616-0,6(12,2-1,6) 3.6 1.6 0.6 12.2 1.6
    HS3625-0,6(6,5-2) 3.6 2.5 0.6 6.5 2
    HS2540-0,8(27-5) 2.5 4 0.8 27 5
    HS4030A 4 3 1 10.6 4.6
    HS5010-0,8(5,9-2,45) 5 1 0.8 5.9 2.45
    HS5015-0,8(7,3-4,9) 5 1.5 0.8 7.3 4.9
    HS5016B 5 1.6 0.8 5.6 2
    HS5016-0,8(8,6-3,0) 5 1.6 0.8 8.6 3
    HS5030-0,8(17,2-2) 5 3 0.8 17.2 2
    HS5040-0,8(12-3) 5 4 0.8 12 3
    HS5060-0,8(11,5-2,5) 5 6 0.8 11.5 2.5
    HS5065-0,8(13,7-3) 5 6.5 0.8 13.7 3
  • 50Ω karakteristisk impedans-enkeltkerne rundt hoved
    50Ω karakteristisk impedans-enkeltkerne rundt hoved
    Model Størrelse (mm)
    EN B C D E
    HS5065-0,8(15,5-3) 5 6.5 0.8 15.5 3
    HS5516-0,9(8,3-2,8) 5.5 1.6 0.9 8.3 2.8
    HS5516-0,9(8,5-2,8) 5.5 1.6 0.9 8.5 2.8
    HS5516-0,9(8,7-2,8) 5.5 1.6 0.9 8.7 2.8
    HS5516-0,9(8,9-2,8) 5.5 1.6 0.9 8.9 2.8
    HS5516-0,9(9,1-2,8) 5.5 1.6 0.9 9.1 2.8
    HS5516-0,9(11,9-2,8) 5.5 1.6 0.9 11.9 2.8
    HS5516-0,9(12,6-2) 5.5 1.6 0.9 12.6 2
    HS5516-0,9(13,8-2,8) 5.5 1.6 0.9 13.8 2.8
    HS5525-0,9(9,7-1,6) 5.5 2.5 0.9 9.7 1.6
    HS5525-0,9(16-5) 5.5 2.5 0.9 16 5
    HS5530-0,9(8,8-2,3) 5.5 3 0.9 8.8 2.3
    HS5530-0,9(9,6-2,3) 5.5 3 0.9 9.6 2.3
    HS5530-0,9(13,8-2,8) 5.5 3 0.9 13.8 2.8
    HS5530A 5.5 3 1.35 13.5 7.5
    HS5530B 5.5 3 1.35 13.8 7.8
    HS6016-1,0(8,5-1,5) 6 1.6 1 8.5 1.5
    HS6840-0,9(7-1,5) 6.8 4 0.9 7 1.5
    HS8330-1.3(13-5) 8.3 3 1.3 13 5
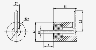
  • 50Ω karakteristisk impedans - enkelt kerne fladt hoved
    50Ω karakteristisk impedans - enkelt kerne fladt hoved
    Model Størrelse (mm)
    EN B C D E
    Ka2008-0,3(1,4-0,3) 2 0.8 0.3 1.4 0.3
    HS2008-0,3(1,65-0,35) 2 0.8 0.3 1.65 0.35
    Ka2008-0,3(1,8-0,3) 2 0.8 0.3 1.8 0.3
    HS2010-0,3(1,9-0,35) 2 1 0.3 1.9 0.35
    HS2010-0.3(2-0.5) 2 1 0.3 2 0.5
    HS2010-0,3(2,5-0,5) 2 1 0.3 2.5 0.5
    HS2013-0.3(2.4-0.4) 2 1.3 0.3 2.4 0.4
    HS2014-0,3(2,6-0,4) 2 1.4 0.3 2.6 0.4
    HS2014E 2 1.4 0.3 2.3 0.45
    HS2014F 2 1.4 0.3 2.35 0.5
    HS2016-0.3-01 2 1.6 0.3 3.1 1
    HS2016-0,3(3,3-0,7) 2 1.6 0.3 3.3 0.7
    HS2016-0.3-02 2 1.6 0.3 3.3 1
    HS2016-0.3(5.6-2) 2 1.6 0.3 5.6 2
    HS2019-0,3(3-0,35) 2 1.9 0.3 3 0.35
    HS2020-0.3-02 2 2 0.3 3.5 0.5
    HS2020-0,3(3,6-0,8) 2 2 0.3 3.6 0.8
    HS2030-0.3(4.2-0.7) 2 3 0.3 4.2 0.7
  • 50Ω karakteristisk impedans-enkeltkerne rundt hoved
    50Ω karakteristisk impedans-enkeltkerne rundt hoved
    Model Størrelse (mm)
    EN B C D E
    HS8740-1,38(8,4-3,2) 8.7 4 1.38 8.4 3.2
    HS9430-1.5(9-3) 9.4 3 1.5 9 3
    HS9430-1.5(11-4) 9.4 3 1.5 11 4
    HS9640-1,5(9,2-3,2) 9.6 4 1.5 9.2 3.2
    HS10050-1,7(15-5) 10 5 1.7 15 5
    HS130100-3(18-4) 13 10 3 18 4
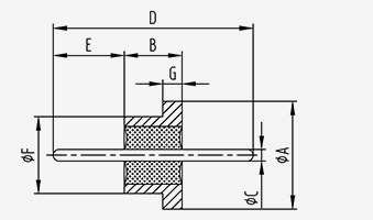
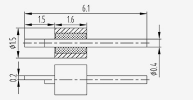
  • 50Ω Karakteristisk Impedans - Enkeltkerne rund spids
    50Ω Karakteristisk Impedans - Enkeltkerne rund spids
    Model Størrelse (mm)
    EN B C D E
    HS2330-0,23(5,3-0,3) 2.3 3 0.23 5.3 0.3
    HS2815-0,3(5,2-1,2) 2.8 1.5 0.3 5.2 1.2
    HS2815-0,3(7,2-1,2) 2.8 1.5 0.3 7.2 1.2
    HS2635-0,3(7,1-1,3) 2.6 3.5 0.3 7.1 1.3
    HS3822-0,5(14,4-3,7) 3.8 2.2 0.5 14.4 3.7
    HS3525-0,5(11,5-6) 3.5 2.5 0.5 11.5 6
  • 50Ω karakteristisk impedans - enkelt kerne fladt hoved
    50Ω karakteristisk impedans - enkelt kerne fladt hoved
    Model Størrelse (mm)
    EN B C D E
    HS2516-0,38(5,1-2) 2.5 1.6 0.38 5.1 2
    HS2516-0,38(7,37-4,5) 2.5 1.6 0.38 7.37 4.5
    HS2517-0.38-01 2.5 1.7 0.38 2.7 0.65
    HS2520-0,38(3,2-0,5) 2.5 2 0.38 3.2 0.5
    HS2525-0,38-01 2.5 2.5 0.38 3.65 0.65
    HS2530-0,38(7,5-2,5) 2.5 3 0.38 7.5 2.5
    HS2816-0,45(4,9-1,8) 2.8 1.6 0.45 4.9 1.8
    HS2816-0,45-01 2.8 1.6 0.45 5 3
    HS2816-0,45(6-1,5) 2.8 1.6 0.45 6 1.5
    HS3030-0,5(7,5-2) 3 3 0.5 7.5 2
  • 50Ω karakteristisk impedans - enkelt kerne flad rund spids
    50Ω karakteristisk impedans - enkelt kerne flad rund spids
    Model Størrelse (mm)
    EN B C D E
    HS2006-0.3(3.1-1.8) 2 0.6 0.3 3.1 1.8
    HS2010-0.3(3.5-2) 2 1 0.3 3.5 2
    HS2020-0.3-01 2 2 0.3 3.7 0.6
    HS2035-0,3(6,4-1,8) 2 3.5 0.3 6.4 1.8
    HS2816-0,45(11,7-7,6) 2.8 1.6 0.45 11.7 7.6
    HS3020-0,5(10-6,5) 3 2 0.5 10 6.5
    HS3216-0,5(7,1-4) 3.2 1.6 0.5 7.1 4
    HS6448-1.0(10.2-3.5) 6.4 4.8 1 10.2 3.5
  • Ka2032-0,3(4,5-1,3)
    Ka2032-0,3(4,5-1,3)
    Model
    Ka2032-0,3(4,5-1,3)
  • K2010-0,3(1,05-0,05)
    K2010-0,3(1,05-0,05)
    Model
    K2010-0.3(1.05-0.05)
  • HS2510-0.3-02
    HS2510-0.3-02
    Model
    HS2510-0.3-02
  • HS3520-0,5(3,4-0,3)
    HS3520-0,5(3,4-0,3)
    Model
    HS3520-0,5(3,4-0,3)
  • Ka3216-0,5(5,85-1,5)
    Ka3216-0,5(5,85-1,5)
    Model
    Ka3216-0,5(5,85-1,5)
  • K2515-0,38(2,9-0,3)
    K2515-0,38(2,9-0,3)
    Model
    K2515-0,38(2,9-0,3)
  • 2-K482515-0,38(2,9-0,3)
    2-K482515-0,38(2,9-0,3)
    Model
    2-K482515-0,38(2,9-0,3)
  • KW2016-0,3(0,7-1,6)
    KW2016-0,3(0,7-1,6)
    Model
    KW2016-0.3(0.7-1.6)
  • KW2016-0.3(1-2.2)
    KW2016-0.3(1-2.2)
    Model
    KW2016-0.3(1-2.2)
  • KW2025-0.3(1-2.2)
    KW2025-0.3(1-2.2)
    Model
    KW2025-0.3(1-2.2)
  • JPW2040-0.3-01
    JPW2040-0.3-01
    Model
    JPW2040-0.3-01
  • KW2018-0,3(0,95-2,1)
    KW2018-0,3(0,95-2,1)
    Model
    KW2018-0.3(0.95-2.1)
  • Ikke-50Ω Karakteristisk Impedans-Enkeltkerne rund spids
    Ikke-50Ω Karakteristisk Impedans-Enkeltkerne rund spids
    Model Størrelse (mm)
    EN B C D E
    JD1515-0,4(5-1,5) 1.5 1.5 0.4 5 5
    JD1615-0,4(8-1,9) 1.6 1.5 0.4 8 8
    JD1616-0,4(30-14,2) 1.6 1.6 0.4 30 30
    JD1614-0,45(11,4-5) 1.6 1.4 0.45 11.4 11.4
    JD1616-0,45(4,65-1,05) 1.6 1.6 0.45 4.65 4.65
    JD1616-0,45(16-4) 1.6 1.6 0.45 16 16
    JD1616-0,45(30-14,2) 1.6 1.6 0.45 30 30
    JD2020-0,45(6,3-3) 2 2 0.45 6.3 6.3
    JD2020-0,45(10-4) 2 2 0.45 10 10
    JD1614-0,5(9-4) 1.6 1.4 0.5 9 9
    JD1616-0,5(30-14,2) 1.6 1.6 0.5 30 30
    JD1619-0,5(5,1-2) 1.6 1.9 0.5 5.1 5.1
    HS2015-0,5(7,5-3) 2 1.5 0.5 7.5 7.5
    JD2016-0,5(12-5,8)-R 2 1.6 0.5 12 12
    HS2018-0,5(9,5-1,5) 2 1.8 0.5 9.5 9.5
    HS2018-0,5(11,5-7,2) 2 1.8 0.5 11.5 11.5
    HS2030-0,5(10-2) 2 3 0.5 10 10
    JD1919-0,6(7,9-1,9)-R 1.9 1.9 0.6 7.9 7.9
  • Ikke-50Ω Karakteristisk Impedans-Enkeltkerne rund spids
    Ikke-50Ω Karakteristisk Impedans-Enkeltkerne rund spids
    Model Størrelse (mm)
    EN B C D E
    HS2040-0.6(6-1) 2 4 0.6 6 1
    JD1818-0,7(10-6) 1.8 1.8 0.7 10 6
    JD1818-0,7(22,2-0,4) 1.8 1.8 0.7 22.2 0.4
    HS2016-0,7(4,6-1,5) 2 1.6 0.7 4.6 1.5
    HS2016-0,7(6,3-1,5) 2 1.6 0.7 6.3 1.5
    HS2016-0,7(7,1-1,5)-R 2 1.6 0.7 7.1 1.5
    HS2016-0,7(7,6-1,5) 2 1.6 0.7 7.6 1.5
    HS2016-0,7(9,6-4) 2 1.6 0.7 9.6 4
    K2016-0.7(11-4.6) 2 1.6 0.7 11 4.6
    HS2016-0.7(11.6-5) 2 1.6 0.7 11.6 5
    HS2016-0.7(17-15.1) 2 1.6 0.7 17 15.1
    HS2016-0.7(20-0.3) 2 1.6 0.7 20 0.3
    HS2017-0,7(9,7-3) 2 1.7 0.7 9.7 3
    HS2035-0.7(13-3) 2 3.5 0.7 13 3
    HS2020-0,75(12-4) 2 2 0.75 12 4
    HS2015-0,8(6,5-3) 2 1.5 0.8 6.5 3
    JD2015-0,8(10,5-3) 2 1.5 0.8 10.5 3
    JD2063-0,5(10,3-2) 2 6.3 0.5 10.3 2
  • Ikke-50Ω Karakteristisk Impedans-Enkeltkerne rund spids
    Ikke-50Ω Karakteristisk Impedans-Enkeltkerne rund spids
    Model Størrelse (mm)
    EN B C D E
    JD2518-0,8(12,8-5) 2.5 1.8 0.8 12.8 5
    JD2520-0,8(14-4) 2.5 2 0.8 14 4
    JD2540-0,8(10-4) 2.5 4 0.8 10 4
    JD3218-0,8(51,8-20) 3.2 1.8 0.8 51.8 20
    JD2530-0,9(6,6-1,8) 2.5 3 0.9 6.6 1.8
    JD2540A 2.5 4 0.8 10 4
    JD2816-1(6,6-2) 2.8 1.6 1 6.6 2
    K2816-1.0(16-10) 2.8 1.6 1 16 10
    JD3218-1(27-15) 3.2 1.8 1 27 15
    JD3015-1.3(10.2-6.1) 3 1.5 1.3 10.2 6.1
    JD3015-1,3(10,5-3) 3 1.5 1.3 10.5 3
    JD3430-1,4(10,5-4,5) 3.4 3 1.4 10.5 4.5
    JD12940-1,7(10-3) 12.9 4 1.7 10 3
    JD3916-2(6,6-2) 3.9 1.6 2 6.6 2
  • Ikke-50Ω karakteristisk impedans-enkeltkerne fladt hoved
    Ikke-50Ω karakteristisk impedans-enkeltkerne fladt hoved
    Model Størrelse (mm)
    EN B C D E
    JD1510-0.3-01 1.5 1 0.3 5.5 1.5
    JD1315-0,35-01 1.3 1.5 0.35 3.5 0.3
    JD1515-0,4(4,5-0,5) 1.5 1.5 0.4 4.5 0.5
    JD1516-0.4-01 1.5 1.6 0.4 14.6 1
    JD1615-0,5(7-0,5) 1.6 1.5 0.5 7 0.5
    JD1619-0,5(8,7-3) 1.6 1.9 0.5 8.7 3
    JD1619-0,5(10,3-4,6) 1.6 1.9 0.5 10.3 4.6
    JD2016-0,5(4,5-0,6) 2 1.6 0.5 4.5 0.6
    JD2016-0.5(12-5.8) 2 1.6 0.5 12 5.8
    JD2020-0.5-01 2 2 0.5 5.2 0.5
    JD2044-0,5(6,3-0,4) 2 4.4 0.5 6.3 0.4
    JD1919-0,6(7,9-1,9) 1.9 1.9 0.6 7.9 1.9
    RF2010-0,7(6,0-3,0) 2 1 0.7 6 3
    JD2015-0,8(6,5-3) 2 1.5 0.8 6.5 3
    RF2016-0,8(6,6-4,5) 2 1.6 0.8 6.6 4.5
    JD2816-1(10,3-4,9) 2.8 1.6 1 10.3 4.9
  • Ikke-50Ω karakteristisk impedans-enkeltkerne flad rund spids
    Ikke-50Ω karakteristisk impedans-enkeltkerne flad rund spids
    Model Størrelse (mm)
    EN B C D E
    RF1515-0,38(2,9-0,3) 1.5 1.5 0.38 2.9 0.3
    JD1614-0,5(17,9-0,5) 1.6 1.4 0.5 17.9 0.5
    JD1615-0,5(9-2,5) 1.6 1.5 0.5 9 2.5
    JD2016-0,7(8,1-4,5) 2 1.6 0.7 8.4 4.5
    JD2040-0,6(10-4,5) 2 4 0.6 10 4.5
    JD2016-0,7(9,1-2,5) 2 1.6 0.7 9.1 2.5
    JD2035-0.7(22-3) 2 3.5 0.7 22 3
  • Ikke-50Ω Karakteristisk Impedans - Sømhovedtype
    Ikke-50Ω Karakteristisk Impedans - Sømhovedtype
    Model Størrelse (mm)
    EN B C D E F G
    JD1616-0,45(4,2-1,5) 1.4 1.5 4.2 0.45 1.6 0.8 0.3
    JD1614-0,45(6,2-0,8) 1.4 0.8 6.2 0.45 1.6 0.8 0.3
    JD1614-0,45(6,9-1,5) 1.4 1.5 6.9 0.45 1.6 0.8 0.2
    JD1620-0,45(7-1) 2 1 7 0.45 1.6 1 0.3
    JD1630-0,5(7,5-0,5) 3 0.5 7.5 0.5 1.6 0.6 0.2
    JD1630-0,5(10,5-0,5) 3 0.5 10.5 0.5 1.6 0.6 0.2
    JD1816-0,5(20-0,5) 1.6 0.5 20 0.5 1.8 0.7 0.3
    JD2020B 2 2 0.6 5.7 1
  • JP2016-0.7(7.1-1.5)
    JP2016-0.7(7.1-1.5)
    Model
    JP2016-0.7(7.1-1.5)

    Model Størrelse (mm)
    EN B C D E F G
    JD1614-0,45(6,9-1,5)-R 1.4 1.5 6.9 0.45 1.6 0.8 0.2
    JD1630-0,5(7,5-0,5)-R 3 0.5 7.5 0.5 1.6 0.6 0.2
  • Ikke-50Ω Karakteristisk Impedans - Sømhovedtype
    Ikke-50Ω Karakteristisk Impedans - Sømhovedtype
    Model Størrelse (mm)
    EN B C D E F G
    JD1614-0,45(6,9-1,5)-R 1.4 1.5 6.9 0.45 1.6 0.8 0.2
    JD1630-0,5(7,5-0,5)-R 3 0.5 7.5 0.5 1.6 0.6 0.2
  • JD1516-0.4-02
    JD1516-0.4-02
    Model
    JD1516-0.4-02
  • RF1816-0,8(6,6-4,5)-2
    RF1816-0,8(6,6-4,5)-2
    Model
    RF1816-0,8(6,6-4,5)-2
  • 2-RF281515-0,38(2,9-0,3)
    2-RF281515-0,38(2,9-0,3)
    Model
    2-RF281515-0,38(2,9-0,3)
  • 2-RF301516-0,5(5,85-1,5)
    2-RF301516-0,5(5,85-1,5)
    Model
    2-RF301516-0,5(5,85-1,5)
  • JD301520-0,5-01
    JD301520-0,5-01
    Model
    JD301520-0.5-01
  • JD301515-0,5-01
    JD301515-0,5-01
    Model
    JD301515-0.5-01
  • JD201315-0,35-01
    JD201315-0,35-01
    Model
    JD301515-0.5-01
  • JD271516-0.4-01
    JD271516-0.4-01
    Model
    JD271516-0.4-01
  • JD2615-0,35-01
    JD2615-0,35-01
    Model
    JD2615-0.35-01
  • 3-RF411515-0,38(2,9-0,3)
    3-RF411515-0,38(2,9-0,3)
    Model
    3-RF411515-0,38(2,9-0,3)
  • 3-RF421516-0,5(5,85-1,5)
    3-RF421516-0,5(5,85-1,5)
    Model
    3-RF421516-0,5(5,85-1,5)
  • JD261516-0.3-01
    JD261516-0.3-01
    Model
    JD261516-0.3-01
  • JD391516-0.4-01
    JD391516-0.4-01
    Model
    JD391516-0.4-01
  • JD2815-0,35-01
    JD2815-0,35-01
    Model
    JD2815-0.35-01
  • RF3416-0,8(6,6-4,5)-4
    RF3416-0,8(6,6-4,5)-4
    Model
    RF3416-0,8(6,6-4,5)-4
  • 4-RF3416-0,5(5,85-1,5)
    4-RF3416-0,5(5,85-1,5)
    Model
    4-RF3416-0,5(5,85-1,5)
  • JD341315-0,35-01
    JD341315-0,35-01
    Model
    JD341315-0.35-01
  • JD272716-0.4-01
    JD272716-0.4-01
    Model
    JD272716-0.4-01
  • JD511516-0.4-01
    JD511516-0.4-01
    Model
    JD511516-0.4-01
  • JD2016-0.3-01
    JD2016-0.3-01
    Model
    JD2016-0.3-01
  • JD3115-0,35-01
    JD3115-0,35-01
    Model
    JD3115-0.35-01
  • JD631516-0.4-01
    JD631516-0.4-01
    Model
    JD631516-0.4-01
  • RF1816-0,8(6,6-4,5)-6
    RF1816-0,8(6,6-4,5)-6
    Model
    RF1816-0,8(6,6-4,5)-6
  • 6-RF811515-0,5(0,5-8,2)
    6-RF811515-0,5(0,5-8,2)
    Model
    6-RF811515-0,5(0,5-8,2)
  • 6-RF821515-0,5(5,5-2,5)
    6-RF821515-0,5(5,5-2,5)
    Model
    6-RF821515-0,5(5,5-2,5)
  • JD501516-0.4-01
    JD501516-0.4-01
    Model
    JD501516-0.4-01
  • JD811520-0,5-0,1
    JD811520-0,5-0,1
    Model
    JD811520-0,5-0,1
  • 7-RF941515-0,5(5,5-2,5)
    7-RF941515-0,5(5,5-2,5)
    Model
    7-RF941515-0,5(5,5-2,5)
  • JD1201515-0,5-01
    JD1201515-0,5-01
    Model
    JD1201515-0.5-01
  • JMC-265-JH
    JMC-265-JH
    Model
    JMC-265-JH
  • JD1201515-0,5-02
    JD1201515-0,5-02
    Model
    JD1201515-0.5-02
  • RF1816-0,8(6,6-4,5)-9
    RF1816-0,8(6,6-4,5)-9
    Model
    RF1816-0,8(6,6-4,5)-9
  • JYZ22-0,45-01
    JYZ22-0,45-01
    Model
    JYZ22-0.45-01
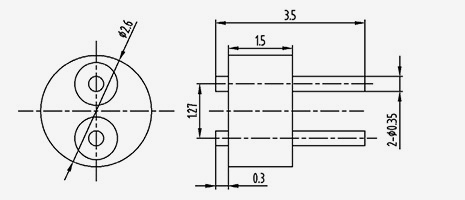
  • Ikke-50Ω Karakteristisk Impedans - Multi-Core
    Ikke-50Ω Karakteristisk Impedans - Multi-Core
    Model Størrelse (mm)
    EN B C D E F G H et gennemtræk række Afslutning
    JD156018-0,3(27,2-0,8)-8 27.2 0.8 1.4 6 1.8 0.6 0.3 0 8 1 Indre leders oversidelimning
    JD151152-0,3(4,5-1,5)-9 4.5 1.5 1.5 11.5 2 1.27 0.3 0 9 1 Lodning
    2-JD162020-0.3(5-1.7)-4 EN1=5
    EN2=3.6
    B1=1,7
    B2=1
    1.6 2 2 0.57 0.3 0.57 4 2 Flad binding på begge sider af de indre ledere
    2-JD162020-0.3(7.6-1.7)-4 EN1=7.6
    EN2=3.6
    B1=1,7
    B2=1
    1.6 2 2 0.57 0.3 0.56 4 2 Flad binding på begge sider af indvendige lederender
    JD158215-0,38(7-0,8)-6 7 0.8 1.5 8.2 1.5 1.27 0.38 0 6 1 Ansigtslimning på det øverste neglehoved
    JD153015-0,38(8-1,9)-2 8 1.9 1.5 3 1.5 1.27 0.38 0 2 1 Svejset
    2-JD162525-0,38(10,6-3,5)-4 10.6 3.5 1.6 2.5 2.5 0.71 0.38 0.71 4 2 Lodning
    2-JD187425-0,38(3,8-1)-16 EN1=3.8
    EN2=5.2
    B1=1
    B2=1,7
    1.8 7.4 2.5
    4
    0.88 0.38 1.02 16 2 Indre lederender er fladtrykte og bundet sideværts
    JD1510516-0,45(7,5-2)-8 7.5 2 1.5 10.5 1.6 1.27 0.45 0 8 1 Lodning
    JD155515-0,5(5,7-1,7}-4 5.7 1.7 1.5 5.5 1.5 1.27 0.5 0 4 1 Indvendig leder overside flad limning
    JD1512015-0,5(5,8-2,5)-9 5.8 2.5 1.5 12 1.5 1.27 0.5 0 9 1 Nederste inderleder flad sidebinding
    JD153015-0,5(7-0,5)-2 7 0.5 1.5 3 1.5 1.27 0.5 0 2 1 Limning af inderlederender
  • Ikke-50Ω Karakteristisk Impedans - Multi-Core
    Ikke-50Ω Karakteristisk Impedans - Multi-Core
    Model Størrelse (mm)
    EN B C D E F G H et gennemtræk række Afslutning
    JD153815-0,5(7,7-1,2)-2 7.7 1.2 1.5 3.8 1.5 2.1 0.5 0 2 1 Indvendig leder overside flad limning
    JD153015-0,5(13,5-4)-2 13.5 4 1.5 3 1.5 1.27 0.5 0 2 1 Svejsning
    JD1613215-0,5(10,6-2)-10 10.6 2 1.6 13.2 1.5 1.27 0.5 0 10 1 Lodning
    JD302915-0,5(8-1)-2 8 1 3 2.9 1.5 1.27 0.5 0 2 1 Indre leders oversidelimning
    2-JD165528-0,5(7,6-1)-8 7.6 1 1.6 5.5 2.8 1.07 0.5 0 8 2 Indre leders oversidelimning
    2-JD154330-0,5(5,8-2)-5 ENl=5.8
    EN2=5.1
    B1=2
    B2=1,3
    1.5 4.3 3 1.27 0.5 1.5 5 2 Loddet Overside udfladning
    2-JD156830-0,5(5,8-2)-9 ENl=5.8
    EN2=5.1
    B1=2
    B2=1,3
    1.5 6.8 n 1.27 0.5 1.5 6 2 Svejseaffladning af inderlederoverside
    2-JD1512030-0,5(9,3-2,8)-18 EN1=9.3
    EN2=8
    B1=2,8
    B2=1,5
    1.5 12 3 1.27 0.5 1.5 18 2 Svejsning Flattening of inner conductor ends
    3-JD155545-0,5(9,5-4)-12 ENl=9.5
    EN2=7.5
    EN3=5.5
    B1=4
    B2=3
    B3=2
    1.5 5.5 4.5 1.27 0.5 1.5 12 3 Lodning
    2-JD207015-0.6(7-3)-10 EN1=7
    EN2=6
    B1=3
    B2=2
    2 7 1.5 1.27 0.6 1.5 10 2 Indre leder fladtrykt og bundet på begge sider
    2-JD3012230-0,6(10,8-5)18 10.8 5 3 12.2 3 1.27 0.6 1.5 18 2 Nederste inderlederside fladtrykt binding
  • JYZ22-0,45-02
    JYZ22-0,45-02
    Model
    JYZ22-0.45-02

HOLD KONTAKT

INDSEND
Om os
Ningbo Hanson Communication Technology Co., Ltd.
Ningbo Hanson Communication Technology Co., Ltd.
Ningbo Hanson Communication Technology Co., Ltd. is China RF glasisolator Supplier and Custom RF glasisolator Company. We are a manufacturer specializing in the production, processing, and trade of communication components, with more than 30 years of experience in RF coaxial connectors, adapters, and cable assemblies. Virksomheden har nu udviklet sit eget bearbejdningsværksted, galvaniseringsværksted, montageværksted og en gruppe af stabile og pålidelige leverandører. Selskabets formål er at give kunderne produkter af høj kvalitet. De vigtigste produkter er RF-koaksiale stik, adaptere, højfrekvente kabelsamlinger og kabelsamlinger med lav intermodulation. Derudover kan virksomheden også levere ydelser til kunder med skræddersyede behov for at imødekomme kundernes særlige krav til produkter. Virksomhedens produkter er meget udbredt inden for rumfart, kommunikationsbasestationer, medicinsk udstyr og andre højteknologiske områder. På tidspunktet for virksomhedsreform, innovation, udvikling og vækst tog virksomheden initiativet til at tilslutte sig det internationale kvalitetsstyringssystem ISO9001 og forbedrede løbende ledelsesniveauet for at levere mere tilfredsstillende produkter og tjenester til nye og gamle kunder.
Seneste nyheder
Leder du efter forretningsmulighed?

Anmod om et opkald i dag