OEM BNC stik Supplier

BNC stik

Beskrivelse:

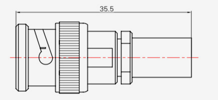
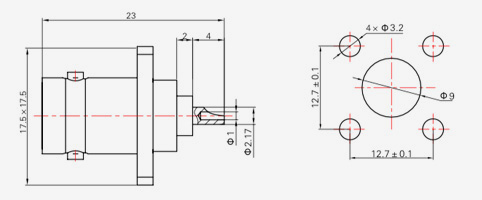
BNC-seriens RF koaksiale stik er et RF koaksialstik af bajonettypen udviklet i overensstemmelse med den amerikanske militærstandard MIL-C-39012. Det har karakteristika for hurtig forbindelse og pålidelig kontakt, og er et af de mest brugte og brugte stik i verden. Den karakteristiske impedans for BNC-seriens RF koaksiale stik er opdelt i 50Ω og 75Ω, og størrelserne på de to forskellige impedansstik er afstemt.

Parameter:

Vigtigste tekniske specifikationer:
◆ Karakteristisk impedans: 50Ω/75Ω
◆ Frekvensområde: DC-4GHz(50Ω)/DC-1GHz(75Ω)
◆ Isolationsmodstand: ≥5000MΩ
◆ Dielektrisk modstå spænding: 1500V(rms)
◆ Spændings stående bølgeforhold (VSWR): ≤1,25
◆ Parringscyklusser: 500 gange

Spørge

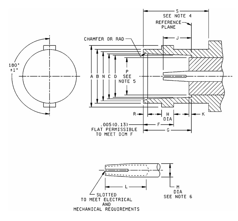
Dim
Ltr
Millimeter (tommer)
Minimum Maksimum
EN .432 (10,97) .436 (11.07)
B .378 (9,60) .382 (9,70)
C .327 (8.31) .333 (8,46)
D .319 (8,10) .321 (8,15)
F .204 (5,18) .208 (5,28)
G .327(8,31) .335 (8,51)
H .075 (1,91) 081(2,06)
.186(4,72) .206 (5,23)
K ------- .006(0,15)
L .195 (4,95) -------
M .081 (2,06) 087 (2,21)
N .346(8,79) .356 (9,04)
P ------- .256 (6,50)
R .015 (0,38) 0,030 (0,76)
S .414 (10,52) -------

Bemærkninger:
1. Dimensioner er i tommer. Metriske ækvivalenter er i parentes.
2. Metriske ækvivalenter er kun givet til generel information.
3. Denne grænseflade skal opfylde kravene til sporvidde som specificeret i DSCC-tegning eller specifikation.
4. Spilleplads til sammenkoblingsmøtrik.
5. "P"-dimensionen gælder for den del (hvis relevant) af dielektrikum, der strækker sig ud over referenceplanerne med dimension K.
6. "M" gælder kun over længden "L".

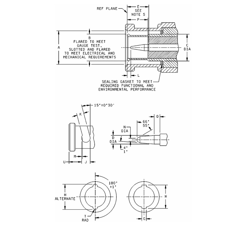
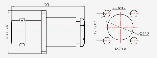
Dim
Ltr
Millimeter (tommer)
Minimum Maksimum
EN 385 (9,78) .390 (9,91)
B Måler test
D .052 (1,32) .054 (1,37)
E .210 (5,33) .230 (5,84)
G .091(2,31) .097 (2,46)
H .463 (11,76) .473 (12.01)
H suppleant .394 (10.01) .400 (10.16)
J .124(3,15) -------
K .091(2,31) .097 (2,46)
L 0,003 (0,08) -------
M .018 (0,46) .022 (0,56)
N ------- 0,025 (0,64)
P .208 (5,28) -------
Q .078 (1,98) -------
T .045 (1,14) .049 (1,24)
U .180(4,57) .184 (4,67)

Bemærkninger:
1. Dimensioner er i tommer. Metriske ækvivalenter er i parentes.
2. Metriske ækvivalenter er kun givet til generel information.
3. I sammenkoblet tilstand skal den langsgående kraft af fjederen i koblingsmekanismen overstige trykket, der udøves af tætningspakningen, med en mængde, der er nødvendig for at sikre, at de ydre kontakter støder sammen i referenceplanet.
4. Denne grænseflade skal opfylde de specificerede målerkrav.

BNC SERIES
  • BNC-JB3
    BNC-JB3
    Model Kabeltype
    BNC-JB3 SFT-50-3, 670-141
  • BNC-KB3
    BNC-KB3
    Model Kabeltype
    BNC-KB3 SFT-50-3.670-141
  • BNC-KYB2
    BNC-KYB2
    Model Kabeltype d
    BNC-KYB2 SFT-50-2.670-086 Φ2.2
    BNC-KYB3 SFT-50-2.670-141 Φ3,6
  • BNC-J3
    BNC-J3
    Model Kabeltype
    BNC-J3 SYV-50-2-1,RG316
    BNC-J4 SYV-50-2-2
    BNC-J5,(K)5 SYV-50-3, SFCJ-50-3-51, RG142
    BNC-J7 SYV-50-5-1, SFCJ-50-5-51
    BNC-J10 SYV-50-7-1,SYV-50-7-2,SFCJ-50-7-51
  • BNC-J3Y
    BNC-J3Y
    Model Kabeltype
    BNC-J3Y SYV-50-2-1
    BNC-J5Y SYV-50-3
  • BNC-J12
    BNC-J12
    Model Kabeltype
    BNC-J12 SYV-75-3
  • BNC-75J13Y
    BNC-75J13Y
    Model Kabeltype
    BNC-75J13Y SYV-75-5
  • BNC-JW3Y
    BNC-JW3Y
    Model Kabeltype
    BNC-JW3Y SYV-50-2-1,RG316
  • BNC-KF3
    BNC-KF3
    Model Kabeltype
    BNC-KF3 SYV-50-2-1,RG316
    BNC-KF4 SYV-50-2-2
    BNC-KF5 SYV-50-3,SFCJ-50-3-51,RG142
  • BNC-KY3
    BNC-KY3
    Model Kabeltype
    BNC-KY3 SYV-50-2-1,RG316
    BNC-KY4 SYV-50-2-2
    BNC-KY5 SYV-50-3,SFCJ-50-3-51,RG142
  • BNC-KF
    BNC-KF
  • BNC-KY
    BNC-KY

HOLD KONTAKT

INDSEND
Om os
Ningbo Hanson Communication Technology Co., Ltd.
Ningbo Hanson Communication Technology Co., Ltd.
Ningbo Hanson Communication Technology Co., Ltd. is China BNC stik Supplier and Custom BNC stik Company. We are a manufacturer specializing in the production, processing, and trade of communication components, with more than 30 years of experience in RF coaxial connectors, adapters, and cable assemblies. Virksomheden har nu udviklet sit eget bearbejdningsværksted, galvaniseringsværksted, montageværksted og en gruppe af stabile og pålidelige leverandører. Selskabets formål er at give kunderne produkter af høj kvalitet. De vigtigste produkter er RF-koaksiale stik, adaptere, højfrekvente kabelsamlinger og kabelsamlinger med lav intermodulation. Derudover kan virksomheden også levere ydelser til kunder med skræddersyede behov for at imødekomme kundernes særlige krav til produkter. Virksomhedens produkter er meget udbredt inden for rumfart, kommunikationsbasestationer, medicinsk udstyr og andre højteknologiske områder. På tidspunktet for virksomhedsreform, innovation, udvikling og vækst tog virksomheden initiativet til at tilslutte sig det internationale kvalitetsstyringssystem ISO9001 og forbedrede løbende ledelsesniveauet for at levere mere tilfredsstillende produkter og tjenester til nye og gamle kunder.
Seneste nyheder
Leder du efter forretningsmulighed?

Anmod om et opkald i dag