OEM N type RF Coaxial Connector Supplier

Ningbo Hanson Communication Technology Co., Ltd. Hjem / Produkter / RF koaksialt stik / N-type RF koaksialt stik

N-type RF koaksialt stik

Beskrivelse:

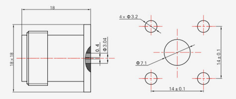
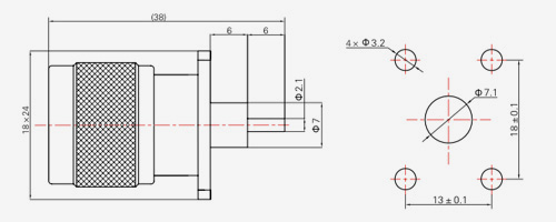
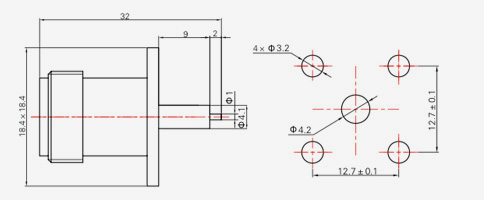
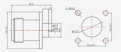
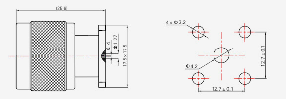
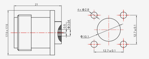
N-type seriens RF koaksiale stik er et RF koaksialt stik med en gevindforbindelsesmekanisme udviklet og produceret i overensstemmelse med den amerikanske militærstandard MIL-C-39012. Det har karakteristika for bred båndbredde, god stødmodstand, høj pålidelighed og fremragende ydeevne og er meget udbredt i mikrobølgekommunikation og målesystemer. Den karakteristiske impedans af N-type serie RF koaksialstik fremstillet af vores fabrik er opdelt i to typer: 50Ω og 75Ω.

Parameter:

Vigtigste tekniske specifikationer:
◆ Karakteristisk impedans: 50Ω/75Ω
◆ Frekvensområde: DC-18GHz(50Ω)/DC-3GHz(75Ω)
◆ Isolationsmodstand: ≥5000MΩ
◆ Dielektrisk modstå spænding: 1500V(rms)
◆ Spændings stående bølgeforhold (VSWR): ≤1,30
◆ Parringscyklusser: 500 gange

Spørge

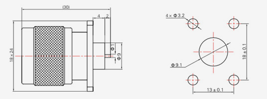
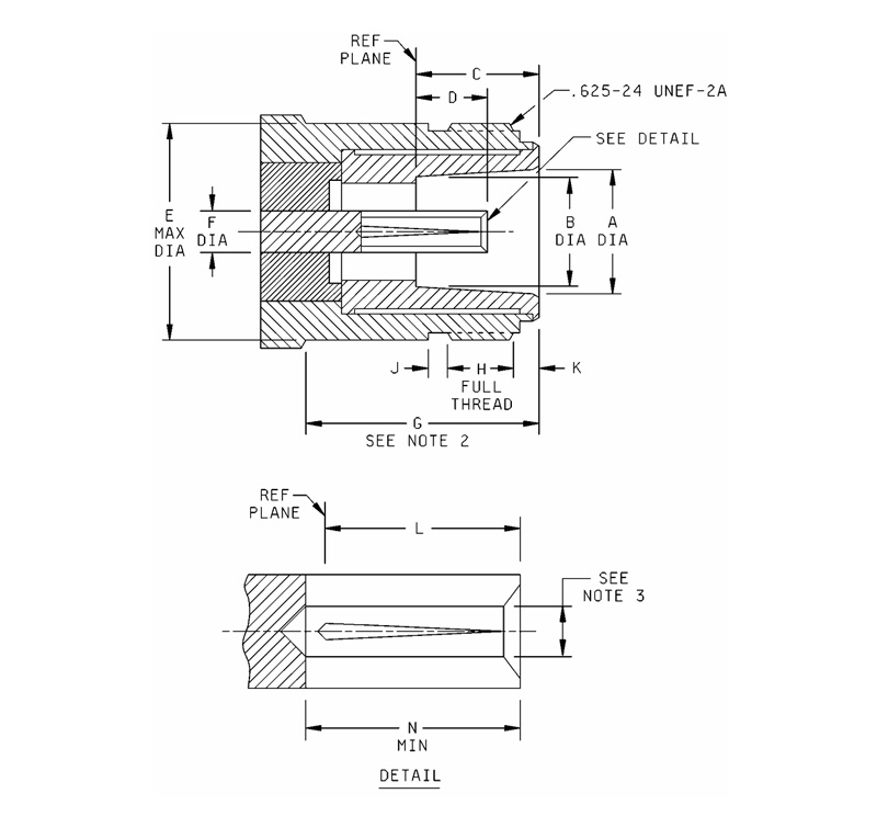
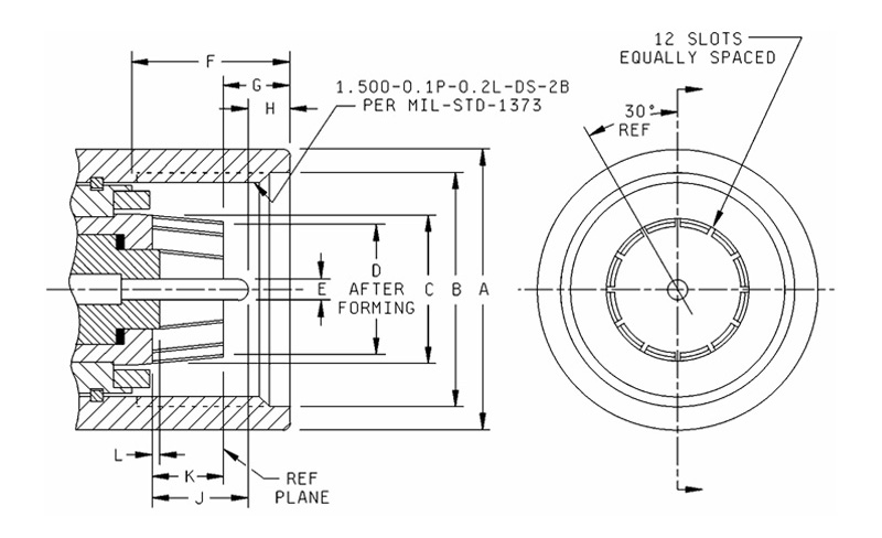
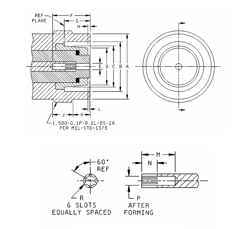
Dim
Ltr
Tommer (mm)
Min. Maks.
EN .336 (8,53) .344 (8,74)
B .316 (8,03) .320 (8,13)
C .356 (9,04) .362 (9,19)
D .187 (4,75) .207 (5,26)
E ------- .627 (15,93)
F .119 (3,02) .124 (3,15)
G .422 (10,72) -------
H .172 (4,37) .220 (5,59)
J .047 (1,19) .077 (1,96)
K .047 (1,19) .077 (1,96)
L .187 (4,75) .207 (5,26)
N .210 (5,33) -------

Bemærkninger:
1. Denne grænseflade skal opfylde kravene til sporvidde som specificeret i
MIL-PRF-39o12/2.
2. Spilleplads til sammenkoblingsmøtrik.
3. For at opfylde VSwR, parringsegenskaber, kontaktmodstand og
konnektorens holdbarhed, når den er parret med en stift med en diameter.063/.066.

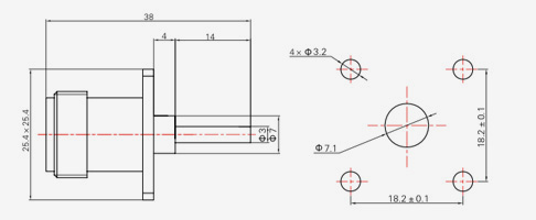
Dim
Ltr
Tommer (mm)
Min. Maks.
EN 1.740 (44.20) 1.760 (44.70)
B 1.537 (39.04) 1.543 (39.19)
C 1.060 (26.92) 1.064 (27.03)
D .964 (24.49) .974 (24.74)
E .194 (4,93) .196 (4,98)
F .836 (21.23) .856 (21,74)
G .372 (9,45) .392 (9,96)
H .271 (6,88) .291 (7,39)
J 551 (14.00) .571 (14,50)
K .370 (9,40) .380 (9,65)
L 0,001 (0,03) .013 (0,33)

Bemærkninger:
1. Denne grænseflade skal opfylde kravene til sporvidde som specificeret i MIL-PRF-39012/44.

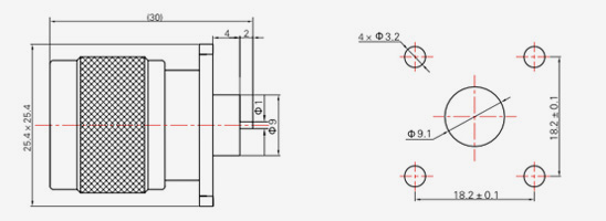
Dim
Ltr
Tommer (mm)
Min. Maks.
EN 1.404 (35.66) 1.408 (35.76)
B 1.100 (27.94) 1.120 (28.45)
C 1.998 (50.75) 1.002 (25.45)
D 936 (23,77) .940 (23.88)
E .191 (4,85) .195 (4,95)
F .763 (19,38) .783 (19,89)
G .465 (11,81) .485 (12.32)
H .062 (1,57) Reference
J .302 (7,67) .322 (8.18)
K .302 (7,67) .322 (8.18)
L 0,001 (0,03) .013 (0,33)
M .490 (12.45) .510 (12,95)
N .240 (6,10) ,260 (6,60)
P .187 (4,75) .189 (4,80)
R .014 (0,36) .018 (0,46)

Bemærkninger:
1. Denne grænseflade skal opfylde kravene til sporvidde som specificeret i MIL-PRF-39012/45.

N SERIES
  • N-JB2
    N-JB2
    Model Kabeltype d
    N-JB2 SFT-50-2.670-086 Φ2.2
    N-JB3 SFT-50-3.670-141 Ф3,6
  • N-JB3-1
    N-JB3-1
    Model Kabeltype L
    N-JB3-1 SFT-50-3.670-141 17.6
    N-JB3A-1 SFT-50-3.670-141 16.5
  • N-KB3
    N-KB3
    Model Kabeltype
    N-KB3 SFT-50-3.670-141
  • N-KFB3
    N-KFB3
    Model Kabeltype
    N-KFB3 SFT-50-3.670-141
  • N-KYB3
    N-KYB3
    Model Kabeltype
    N-KYB3 SFT-50-3.670-141
  • N-J5
    N-J5
    Model Kabeltype L
    N-J5 SYV-50-3, RG142, SFCJ-50-3-51 33
    N-J5C SYV-50-3, RG142, SFCJ-50-3-51 33
    N-J7 SYV-50-5-1, SFCJ-50-5-51 36
    N-J10 SYV-50-7-1, SYV-50-7-2, SFCJ-50-7-51 36
  • N-J5.3
    N-J5.3
    Model Kabeltype
    N-J5.3 32055,205,GNB415
  • N-J311
    N-J311
    Model Kabeltype
    N-J311 FFB311A
  • N-J10-1
    N-J10-1
    Model Kabeltype
    N-J10-1 SFCJ-50-7-51
  • N-JW5
    N-JW5
    Model Kabeltype
    N-JW5 SFCJ-50-3-51,SYV-50-3-4,RG142
    N-JW7 SFCJ-50-5-51, SYV-50-5-1
    N-JW10 SFCJ-50-7-51,SYV-50-7-2
  • N-JW8A
    N-JW8A
    Model Kabeltype
    N-JW8A FFB311A,SYV-50-5
    N-JW12A SYV-75-3
    N-JW13A SYV-75-5
  • N-K3
    N-K3
    Model Kabeltype
    N-K3 SYV-50-2-1,RG316
  • N-K5
    N-K5
    Model Kabeltype L
    N-K5 SYV-50-3, RG142, SFCJ-50-3-51 36
    N-K7 SYV-50-5-1, SFCJ-50-5-51 38
    N-K10 SYV-50-7-1,SFCJ-50-7-51 38
  • N-KF5
    N-KF5
    Model Kabeltype L
    N-KF5 SYV-50-3, RG142, SFCJ-50-3-51 36
    N-KF7 SYV-50-5-1, SFCJ-50-5-51 38
    N-KF10 SYV-50-7-1,SFCJ-50-7-51 38
  • N-KF3A
    N-KF3A
    Model Kabeltype L
    N-KF3A SYV-50-2-1,RG316 33
    N-KF5A SYV-50-3-4,RG142 42
  • N-KY3Y
    N-KY3Y
    Model Kabeltype
    N-KY3Y SYV-50-2-1,RG316
  • N-KFD
    N-KFD
    Model L L1 L2
    KFD 26 4 2
    KFD2 31 6 5
    KFD15 30 6 4
    KFD16 28.5 6 2.5
    KFD17 28 6 2
    KFD18 29 5 4
    KFD19 29 4 5
    KFD20 33 4 9
  • N-KF
    N-KF
  • N-JFD1
    N-JFD1
  • N-JFD2
    N-JFD2
  • N-JFD3
    N-JFD3
  • N-JFD23
    N-JFD23
  • N-KFD1
    N-KFD1
  • N-KFD7
    N-KFD7
  • N-KFD11
    N-KFD11
  • N-KFD50
    N-KFD50
  • N-KFD-Z
    N-KFD-Z
  • N-KFD9
    N-KFD9
  • N-KFD14
    N-KFD14

HOLD KONTAKT

INDSEND
Om os
Ningbo Hanson Communication Technology Co., Ltd.
Ningbo Hanson Communication Technology Co., Ltd.
Ningbo Hanson Communication Technology Co., Ltd. is China N type RF Coaxial Connector Supplier and Custom N type RF Coaxial Connector Company. We are a manufacturer specializing in the production, processing, and trade of communication components, with more than 30 years of experience in RF coaxial connectors, adapters, and cable assemblies. Virksomheden har nu udviklet sit eget bearbejdningsværksted, galvaniseringsværksted, montageværksted og en gruppe af stabile og pålidelige leverandører. Selskabets formål er at give kunderne produkter af høj kvalitet. De vigtigste produkter er RF-koaksiale stik, adaptere, højfrekvente kabelsamlinger og kabelsamlinger med lav intermodulation. Derudover kan virksomheden også levere ydelser til kunder med skræddersyede behov for at imødekomme kundernes særlige krav til produkter. Virksomhedens produkter er meget udbredt inden for rumfart, kommunikationsbasestationer, medicinsk udstyr og andre højteknologiske områder. På tidspunktet for virksomhedsreform, innovation, udvikling og vækst tog virksomheden initiativet til at tilslutte sig det internationale kvalitetsstyringssystem ISO9001 og forbedrede løbende ledelsesniveauet for at levere mere tilfredsstillende produkter og tjenester til nye og gamle kunder.
Seneste nyheder
Leder du efter forretningsmulighed?

Anmod om et opkald i dag