OEM TNC stik Supplier

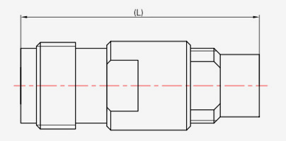
TNC stik

Beskrivelse:

TNC-seriens RF koaksiale stik er udviklet og produceret i henhold til den amerikanske militærstandard MIL-C-39012. De har karakteristika for bred båndbredde, pålidelig forbindelse og god stødmodstand. De er velegnede til stik og RF-kabler til signalinput og -output af radioudstyr, elektroniske instrumenter, forskellige laserkomponenter.

Parameter:

Vigtigste tekniske specifikationer:
◆ Karakteristisk impedans: 50Ω
◆ Frekvensområde: DC-18GHz
◆ Isolationsmodstand: ≥5000MΩ
◆ Dielektrisk modstå spænding: 1500V(rms)
◆ Spændings stående bølgeforhold (VSWR): ≤1,30
◆ Parringscyklusser: 500 gange

Spørge

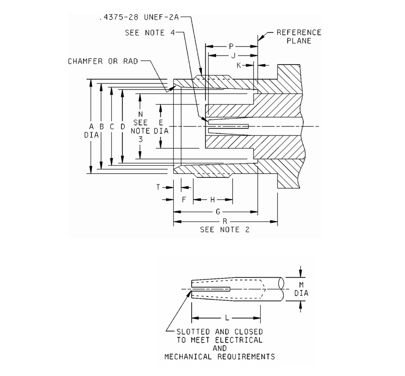
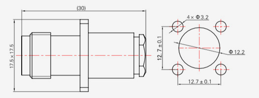
Dim
Ltr
Millimeter (tommer)
Minimum Maksimum
EN .378 (9,60) .381 (9,68)
B .346 (8,79) .356 (9,04)
C .327 (8.31) .333 (8,46)
D .319 (8,10) .321 (8,15)
E ------- .186 (4,72)
F .068 (1,73) .088 (2,24)
G .327 (8.31) .335 (8,51)
H .187 (4,75) -------
J .186 (4,72) .206 (5,23)
K ------- .006 (0,15)
L .195 (4,95) -------
M .081 (2,06) .087 (2,21)
N ------- .256 (6,50)
P .188 (4,78) .208 (5,28)
R .414 (10,52) -------
T .015 (0,38) 0,030 (0,76)

Bemærkninger:
1. Denne grænseflade skal opfylde kravene til sporvidde som specificeret i
MIL-PRF-39012/28.
2. Spilleplads til sammenkoblingsmøtrik.
3. Dimensionen gælder for den del (hvis relevant) af dielektrikumet
som rager ud over metallet
skulder (eller referenceplan) efter dimension K.
4. ID for at opfylde VSwR, når den er parret med en stift på 0,052 tommer (1,32 mm)/.054 (1,37 mm).

Dim
Ltr
Millimeter (tommer)
Minimum Maksimum
EN .440 (11.18) -------
B Måler test
C .190 (4,83) -------
D .052 (1,32) .054 (1,37)
E .210 (5,33) .230 (5,84)
F .006 (0,15) -------
G .208 (5,28) .228 (5,79)
H 0,003 (0,08) 0,040 (1,02)
K .078 (1,98) -------
M ------- .078 (1,98)
N .063 (1,60) -------
P .156 (3,96) -------
R ------- 0,025 (0,64)
T ------- .322 (8.18)

Bemærkninger:
1. Denne grænseflade skal opfylde kravene til sporvidde som specificeret i MIL-PRF-39012/26.

TNC SERIES
  • TNC-KF3A
    TNC-KF3A
    Model Kabeltype
    TNC-KF3A SYV-50-2-1,RG316
    TNC-KF5A SYV-50-3,RG142,SFCJ-50-3-51
  • TNC-KF3A-1
    TNC-KF3A-1
    Model Kabeltype
    TNC-KF3A-1 SYV-50-2-1,RG316
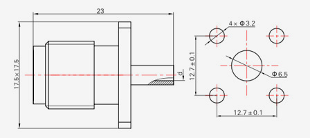
  • TNC-JB2
    TNC-JB2
    Model Kabeltype d
    TNC-JB2 SFT-50-2.670-086 Φ2.2
    TNC-JB3 SFT-50-3.670-141 Φ3,6
  • TNC-JWB2
    TNC-JWB2
    Model Kabeltype d
    TNC-JWB2 SFT-50-2.670-086 Φ2.2
    TNC-JWB3 SFT-50-3.670-141 Φ3,6
  • TNC-KB2
    TNC-KB2
    Model Kabeltype d
    TNC-KB2 SFT-50-2.670-086 Φ2.2
    TNC-KB3 SFT-50-3.670-141 Φ3,6
  • TNC-KFB2
    TNC-KFB2
    Model Kabeltype d
    TNC-KFB2 SFT-50-2.670-086 Φ2.2
    TNC-KFB3 SFT-50-3.670-141 Φ3,6
  • TNC-KFB2-1
    TNC-KFB2-1
    Model Kabeltype d
    TNC-KFB2-1 SFT-50-2.670-086 Φ2.2
    TNC-KFB3-1 SFT-50-3.670-141 Φ3,6
  • TNC-KFD2
    TNC-KFD2
    Model L L1
    KFD2 27 3.5
    KFD3 22 2
  • TNC-J3A
    TNC-J3A
    Model Kabeltype
    TNC-J3A SYV-50-2-1,RG316
    TNC-J5A SYV-50-3-4, RG142, SFCJ-50-3-51
    TNC-J5AC
  • TNC-J4
    TNC-J4
    Model Kabeltype L
    TNC-J4 SYV-50-2-2 31
    TNC-J5 SYV-50-3-4, SFCJ-50-3-51, RG316 31
    TNC-(K)5
    TNC-J5C
    TNC-J7 SYV-50-5-1, SFCJ-50-5-51 36
    TNC-J7C
    TNC-J10 SYV-50-7-1, SYV-50-7-2, SFCJ-50-7-51 36
    TNC-J10C
  • TNC-JW5
    TNC-JW5
    Model Kabeltype
    TNC-JW5 SYV-50-3-4, SFCJ-50-3-51, RG142
    TNC-JW7 SYV-50-5-1, SFCJ-50-5-51
    TNC-JW10 SYV-50-7-2,SFCJ-50-7-51
  • TNC-JW5-1
    TNC-JW5-1
    Model Kabeltype
    TNC-JW5-1 SYV-50-3-4,SFCJ-50-3-51,RG142
  • TNC-K5
    TNC-K5
    Model Kabeltype L
    TNC-K5 SYV-50-3-4, SFCJ-50-3-51, RG142 31
    TNC-(J)5
    TNC-K7 SYV-50-5-1, SFCJ-50-5-51 33
    TNC-K10 SYV-50-7-1, SYV-50-7-2, SFCJ-50-7-51 33
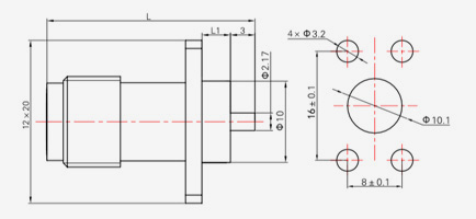
  • TNC-KFD1
    TNC-KFD1
  • TNC-KFD4
    TNC-KFD4

HOLD KONTAKT

INDSEND
Om os
Ningbo Hanson Communication Technology Co., Ltd.
Ningbo Hanson Communication Technology Co., Ltd.
Ningbo Hanson Communication Technology Co., Ltd. is China TNC stik Supplier and Custom TNC stik Company. We are a manufacturer specializing in the production, processing, and trade of communication components, with more than 30 years of experience in RF coaxial connectors, adapters, and cable assemblies. Virksomheden har nu udviklet sit eget bearbejdningsværksted, galvaniseringsværksted, montageværksted og en gruppe af stabile og pålidelige leverandører. Selskabets formål er at give kunderne produkter af høj kvalitet. De vigtigste produkter er RF-koaksiale stik, adaptere, højfrekvente kabelsamlinger og kabelsamlinger med lav intermodulation. Derudover kan virksomheden også levere ydelser til kunder med skræddersyede behov for at imødekomme kundernes særlige krav til produkter. Virksomhedens produkter er meget udbredt inden for rumfart, kommunikationsbasestationer, medicinsk udstyr og andre højteknologiske områder. På tidspunktet for virksomhedsreform, innovation, udvikling og vækst tog virksomheden initiativet til at tilslutte sig det internationale kvalitetsstyringssystem ISO9001 og forbedrede løbende ledelsesniveauet for at levere mere tilfredsstillende produkter og tjenester til nye og gamle kunder.
Seneste nyheder
Leder du efter forretningsmulighed?

Anmod om et opkald i dag